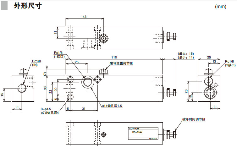
DS系列真空破坏阀

机械式真空破坏阀,破坏流量和破坏时间可调整.

点击订货号查看价格,了解更多请登录享受优惠请拨打4008-824-824

1 个 型 号 符 合 条 件
    最近浏览过的产品
    联系方式

    销售热线:4008 824 824

    公司总机:0755-23881000

    企业邮箱:Info@sanpum.com