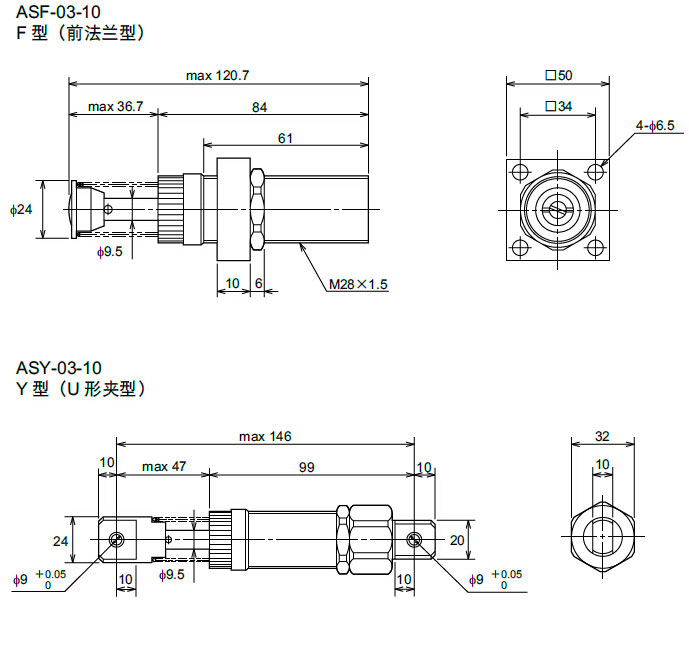
AS-03系列外形小、重量轻的模拟调节式螺纹型缓冲器(调节式/多节流孔/模拟调节式)
吸收能量调节式缓冲器;
外径已实施螺纹切削;
紧凑小巧的多孔式设计,具有极其平滑的缓冲特性.
点击订货号查看价格,了解更多请登录,享受优惠请拨打4008-824-824
- 太阳铁工(TAIYO)
- -+
(注1)表中的每分钟最大能量容量表示环境温度26.7℃时的数据。
将环境温度T(℃)条件下每分钟最大能量容量设为E2(J/min),通过如下算式E2=(82.2-T)/55.5*[表中的每分钟最大能量容量]来表示。
(注2)表示行程压入25.4mm时的最大值。
(注3)最大阻力值是已进行适当调节时的值。
/-













