E5EC-T系列 数字温控器(程序型)
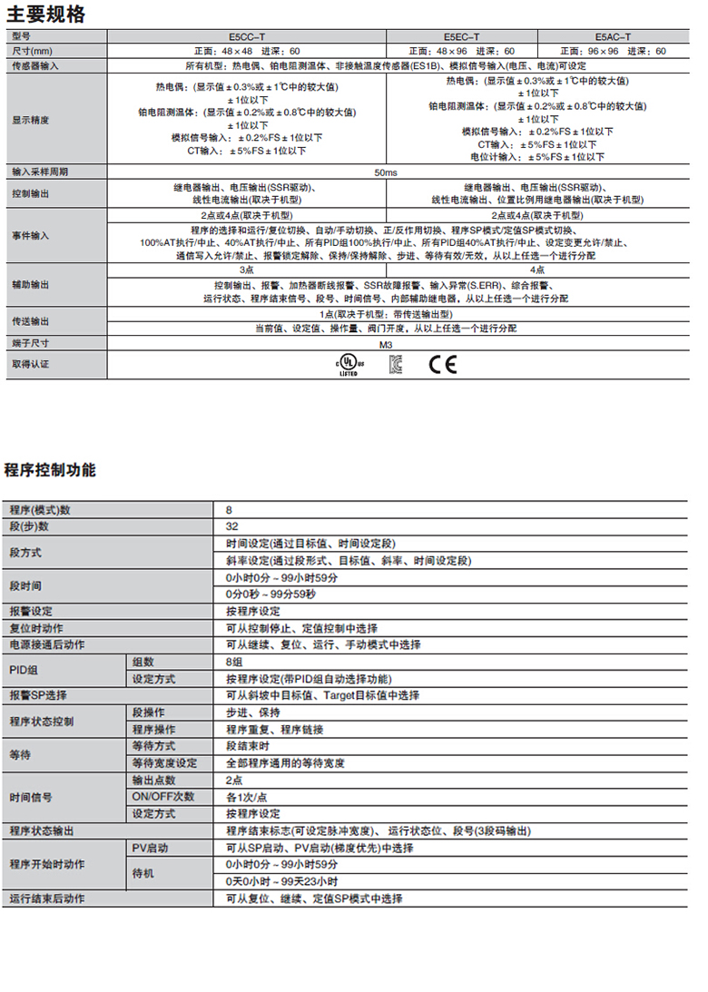
高速采样周期50ms:支持控制周期0.1s,0.2s:所有机型全量程多输入:配备无程序通信机型:最大事件输入4个点,辅助输出点数4个点
点击订货号查看价格,了解更多请登录,享受优惠请拨打4008-824-824
- 欧姆龙(OMRON)
- -+
高速采样周期50ms:支持控制周期0.1s,0.2s:所有机型全量程多输入:配备无程序通信机型:最大事件输入4个点,辅助输出点数4个点
点击订货号查看价格,了解更多请登录,享受优惠请拨打4008-824-824