一站采购,价格优势
原厂采购,品质保证
专人跟进,节约时间
综合工业品供应商
欢迎来到三浦
|
所有产品
|
所有品牌
|
快速下单
|
登陆
/
注册
|
帮助
0
自动化及电子、电气零部件
传感器·变送器
PLC·视觉·条码·机器人
低压电器·电源
显示·控制·过程仪表
开关、蜂鸣器与信号灯
电气接线、安装
箱体、风扇、空调及静电
机械零部件及相关
气动、空压、液压及油压
传动、随动及旋转零件
直线运动
马达、减速机及电动机
配管零件
定位、紧固、磁铁、连接、门零件
脚轮、调整块、型材、管材
弹簧、缓冲、小零件、材料
温度、检查、模块、装置
仪器仪表、装置设备
测量与测试
环境设备
通用设备
实验室用品
劳保、包装、清洁、化学品
劳保、标识、安防
包装、存储、胶带
搬运及脚轮
清洁、静电及无尘
车间化学品
办公用品
工具
手工具
电动工具
气动工具
测量工具
切削刀具
机床工具
焊接、切割
专用工具
磨削及研磨用品
公共设施相关产品
水系统
泵
照明
制冷、供暖、通风及空调
电池、充电器
油类输送系统
首页
自动化及电子、电气零部件
低压电器·电源
功率调整器
功率调整器
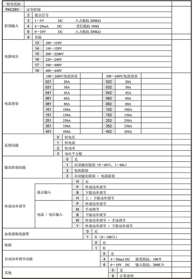
PAC26单相功率调整器
PAC26单相功率调整器
点击订货号查看价格,了解更多请
登录
,
享受优惠请拨打4008-824-824
三浦订货号:
制 造 商:
岛电(SHIMADEN)
制造商编号:
单 价:
计价 方式:
发 货 日:
数 量:
-
+
立即购买
加入购物车
目录下载
共
2
个 型 号 符 合 条 件
筛选条件
已选条件
.
200562/PAC26P-/PAC26单相功率调整器
200563/PAC26C-/PAC26单相功率调整器
型号列表
产品介绍
产品目录
/
-
产品页
最近浏览过的产品
NVS9000™系列 高端工业化视觉读码...
AH164系列按钮开关
AH165系列按钮开关
ø16选择开关
旋钮型选择开关(圆型ø22/25)
EE-SPX/SPY系列凹槽型•反射型接插...
HLA系列模拟输出型激光传感器
HYP系列接近传感器
最近搜索过的产品
产品中心
自动化及电子、电气零部件
机械零部件及相关
仪器仪表、装置设备
劳保、包装、清洁、化学品
工具
公共设施相关产品
行业案例
实验室自动化
装配和测试
橡胶/塑料机械行业
零售行业
瓶装水行业
制造行业
帮助中心
搜索帮助
下载帮助
人工服务
其他问题
使用帮助
解决方案
物流行业
印刷行业
食品饮料行业
输送设备行业
机床行业
汽车制造行业
联系方式
销售热线:4008 824 824
公司总机:0755-23881000
企业邮箱:Info@sanpum.com