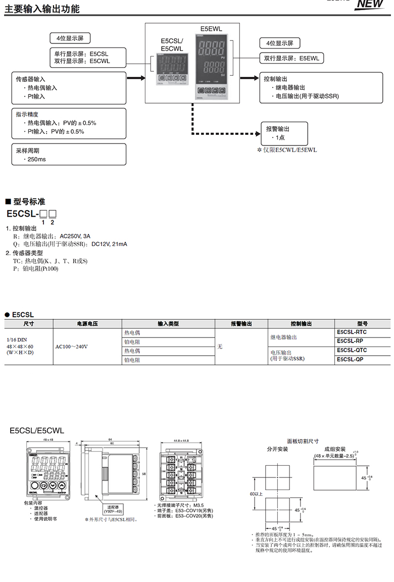
E5CSL系列 温控器

简单的新型温控器,轻松实现温度控制:可视性好:距前面板的进深仅60mm:参数更少,设定简单:采样时间缩短至250ms

点击订货号查看价格,了解更多请登录享受优惠请拨打4008-824-824

4 个 型 号 符 合 条 件
    最近浏览过的产品
    联系方式

    销售热线:4008 824 824

    公司总机:0755-23881000

    企业邮箱:Info@sanpum.com